更新时间:2025-11-14
浏览次数:647
如何选择OPHIR激光功能能量计探头:
首先我们需要知道被测激光的波长、光斑大小、功率范围、能量范围、脉宽、重复频率等参数,对比OPHIR品牌的激光功率能量计探头进行选型。
那么针对测试连续250W内功率的激光器,我们可以选择哪款型号呢
答案是:FL250A-BB-50
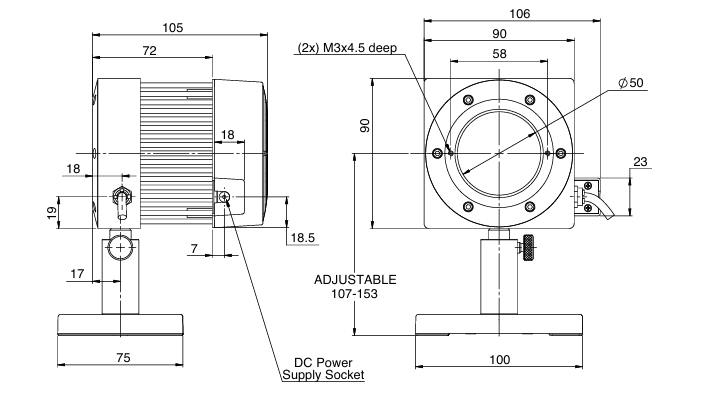
FL250A-BB-50 是一款中高功率、风冷式、通用型热传感器,适用于广泛的激光功率和能量测量。具有50mm孔径。其功率测量范围是150mW~250W,能量测量范围是80mJ~300J。其具有频谱平坦的宽带涂层,频谱覆盖范围为0.19~20µm。该传感器配备一根标准1.5米电缆,用于连接至一个表头或PC接口。
主要特点:
通用用途,适用于多种激光应用场景。
宽带吸收体,光谱范围覆盖 0.19 - 11 µm。
吸收率 约为 88%。
孔径 为 Ø50mm。
功率范围:150mW - 250W(支持两个量程:250W / 30W)。
能量范围:80mJ - 300J(支持三个量程:300J / 30J / 3J)。
响应时间(典型值):2.5秒(从0%到95%)。
校准不确定度:±1.9%。
功率精度:±3%(注:在波长 <240nm 时为 ±4%)。
线性度:±1%。
ZUI低能量测量:80mJ。
冷却方式:风冷(风扇)。
可选光纤适配器:ST, FC, SMA, SC。
重量:0.8 kg。

